钱柜777

Hi,接待来到深圳钱柜777电子有限公司!
深圳钱柜777电子有限公司
一站式供应链效劳平台
深圳钱柜777电子有限公司
产品详情[SSSU014800]
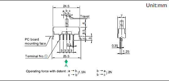
SSSU014800-SSSU014800滑动开关
8.5(H)mm, 3.0mm行程型,键种类富厚的大型通用型
产品介绍

最大额定/最小额定(电阻负载) 0.1A 30V DC/50μA 3V DC,接触电阻(初期/寿命后) 25mΩ max./65mΩ max.,无负载寿命 10,000 cycles 45mΩ max.负载寿命(最大额定负载) 10,000 cycles 65mΩ max.操作部长度: 6mm,电路数

联系钱柜777
COMPANY INFORMATION
关·注·我·们
效劳热线:0755-23318646 / 0755-23318245
钱柜777
传真:0755-23318246
网址:www.fuxinhe.com.cn
地点:深圳市龙华区油松路兴龙富创客园大厦7层
友情链接
FRIENDSHIP LINK
阿尔卑斯(Alps)
罗姆(ROHM)
村田(Murata)
圧着端子(JST)
广濑(HIROSE)
恩智浦(NXP)
三星(Samsung)
泰科(TE)
公司提供:阿尔卑斯阿尔派(Alps Alpine)、压着端子(jst)、罗姆(rohm)、村田(murata)、广濑(hirose)、恩智浦(nxp)、三星(samsung),泰科(te)等品牌开关和种种电子元器件
地点:深圳市龙华区油松路兴龙富创客园大厦7层    电话:0755-23318646/233
钱柜777  版权所有 粤ICP备16126432号-1
客服
点击这里给我发消息 在线客服
网站地图